[[ getCurrentDecimal('450') ]] ₴

Alfa Romeo 33. Посібник з ремонту. Книга.

продано - 0 шт.
0 шт.

В наличии

Код:002806394

Описание Alfa Romeo 33. Посібник з ремонту. Книга.

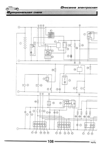
Спрямовувальний посібник Посібник з ремонту Alfa Romeo 33, а також посібник з технічного обслуговування й експлуатації автомобілів Alfa Romeo 33 (повноприводні моделі 4WD) з 1983 року випуску, обладнаних бензиновими двигунами робочим об'ємом 1,3, 1,5, 1,7 л. У книзі у доступній формі розказано про технічний пристрій різних вузлів автомобіля, вказані характеристики, що стосуються всіх варіантів Альфа Ромео 33. Видання містить інформацію щодо пристрою всіх вузлів і агрегатів автомобіля. Особливу увагу приділено ремонту двигуна, системи мастила, системи охолодження, систем запалювання та живлення, зчеплення, коробки передач, кермового керування, підвіски, гальмівної системи, електрообладнання. До окремих розділів інструкції входять інструкція з експлуатації Альфа Ромео 33, рекомендації щодо регулярного технічного обслуговування, електросхеми (схеми електрообладнання) автомобіля.

М'яка палітурка. 119 стор.

Отзывы и вопросы о - Alfa Romeo 33. Посібник з ремонту. Книга.

Не уходи — у этого продавца есть ещё! 🛍️

Дивитися також

Популярные продавцы в категории Руководства по ремонту и эксплуатации автомобиля

DV
AutoGluk
Автокнига 2015

Популярные производители в категории