[[ getCurrentDecimal('1100') ]] ₴

Chevrolet Lacetti / Daewoo Lacetti / Daewoo Nubira III. Посібник з ремонту й експлуатації. Книга

продано - 0 шт.
0 шт.

В наличии

Код:002806774

Описание Chevrolet Lacetti / Daewoo Lacetti / Daewoo Nubira III. Посібник з ремонту й експлуатації. Книга

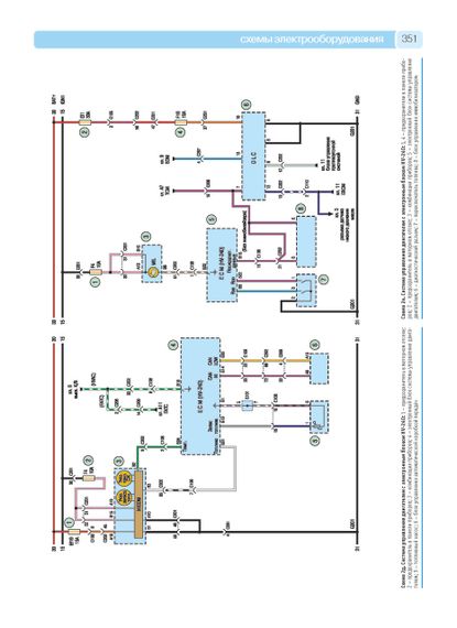
Книга: Chevrolet Lacetti / Daewoo Lacetti / Daewoo Nubira III. Посібник з ремонту в кольорових світлинах, інструкція з експлуатації. Моделі з 2003 року випуску, обладнані бензиновими двигунами.

Тип двигуна: F14D/F16D/T18SED

Об'єм двигуна: 1.4/1.6/1.8 л.

Потужність: 69/80/90 кВт

368 сторінок, м'яка обкладинка.

Отзывы и вопросы о - Chevrolet Lacetti / Daewoo Lacetti / Daewoo Nubira III. Посібник з ремонту й експлуатації. Книга

Не уходи — у этого продавца есть ещё! 🛍️

Дивитися також

Популярные продавцы в категории Руководства по ремонту и эксплуатации автомобиля

DV
AutoGluk
Автокнига 2015

Популярные производители в категории

Вы подсматривали 👀