[[ getCurrentDecimal('570') ]] ₴

Citroen XM. Посібник з ремонту й експлуатації. Книга

продано - 0 шт.
0 шт.

В наличии

Код:002807334

Описание Citroen XM. Посібник з ремонту й експлуатації. Книга

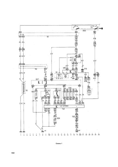
Книга: Citroen XM. Посібник з ремонту й експлуатації.

У новому переробленому та доповненому виданні розглянуті моделі з бензиновими 4-циліндровими двигунами 2.0 л із системою впорскування палива та двигунами V6 3.0 л із двома клапанами на циліндр обладнані 5-ступеневий РКПП, що випускалися з 1990 р.

Видавництво: Арус

170 сторінок А4, м'яка обкладинка.

Отзывы и вопросы о - Citroen XM. Посібник з ремонту й експлуатації. Книга

Не уходи — у этого продавца есть ещё! 🛍️

Дивитися також

Популярные продавцы в категории Руководства по ремонту и эксплуатации автомобиля

DV
AutoGluk
Автокнига 2015

Популярные производители в категории