Маркетплейс твоей Страны![]()
Характеристики Honda Accord / Prelude / Acura TL-CL 1996-2000. Руководство по ремонту и эксплуатации.
| Производитель | |
| Тип | Руководство по ремонту/эксплуатации |
| Состояние | Новое |
| Марка | Honda |
| Количество страниц | 272 шт. |
| Совместимость с маркой | Honda |
Описание Honda Accord / Prelude / Acura TL-CL 1996-2000. Руководство по ремонту и эксплуатации.
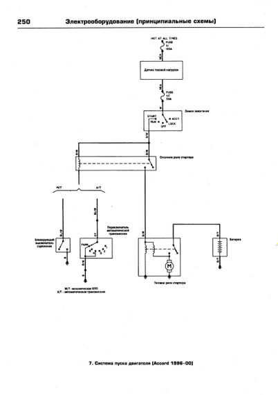
В данном издании описаны автомобили Honda Accord/ Prelude/ Accord Coupe/ Accord Wagon/ Inspire/ Saber/ Acura TL-CL 1996 - 2000 гг и и их модификации предназначенные для Европы, США, и Японии. Руководство по ремонту и эксплуатации. Двигатели Бензин: 2,2л., 2,3л., 2,7л., 3,0л. Издательство: Techno Book. 2001 г. 272 страницы А4, мягкая обложка.
Отзывы и вопросы о - Honda Accord / Prelude / Acura TL-CL 1996-2000. Руководство по ремонту и эксплуатации.
0.0
Всего отзывов:0
Honda Accord / Prelude / Acura TL-CL 1996-2000. Руководство по ремонту и эксплуатации.
[[ getCurrentDecimal('800') ]] ₴