[[ getCurrentDecimal('600') ]] ₴

Mercedes 190 / 190E (W201). Посібник з ремонту й експлуатації. Книга

продано - 0 шт.
0 шт.

В наличии

Код:002807092

Описание Mercedes 190 / 190E (W201). Посібник з ремонту й експлуатації. Книга

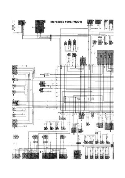
Книга: Mercedes 190 / 190E (W201). Посібник з ремонту, інструкція з експлуатації.

Розглянуті моделі 1982 — 1993 р. з бензиновими двигунами:

1.8 л / 80 кВт (109 л.с.) 5.1990-5.1993 з каталізатором 2.0 л / 66 кВт (90 л.с.) 12.1982-9.1984 2.0 л / 77 кВт (105 л.с.) 10.1984-8.1989 2.0 л / 77 кВт (105 л.с.) 9.1988-4.1990 з каталізатором 2.0 л / 75 кВт (102 л.с.) 9.1986-4.1990 з каталізатором 2.0 л / 90 кВт (122 л.с.) 12.1982-5.1993 2.0 л / 87 кВт (118 л.с.) 9.1985-5.1993 з каталізатором 2.3 л / 100 кВт (136 л.с.) 9.1986-5.1993 2.3 л / 97 кВт (132 л.с.) 9.1986-5.1993 з каталізатором 2.3 л / 136 кВт (185 л.с.) 5.1984-8.1986 2.3 л / 130 кВт (177 л.с.) 9.1986-8.1988 2.3 л / 125 кВт (170 л.с.) 9.1986-8.1988 з каталізатором 2.5 л / 150 кВт (204 л.с.) 9.1988-5.1993 2.5 л / 143 кВт (194 л.с.) 9.1988-5.1993 з каталізатором 2.6 л / 122 кВт (166 л.с.) 9.1986-5.1993

2.6 л / 118 кВт (160 л.с.) 9.1986-5.1993 з каталізаторомVjltkb

Видавництво Арус

154 сторінки А4, м'яка обкладинка.

Отзывы и вопросы о - Mercedes 190 / 190E (W201). Посібник з ремонту й експлуатації. Книга

Не уходи — у этого продавца есть ещё! 🛍️

Дивитися також

Популярные продавцы в категории Руководства по ремонту и эксплуатации автомобиля

DV
AutoGluk
Автокнига 2015

Популярные производители в категории