[[ getCurrentDecimal('1300') ]] ₴

Mercedes S-class W140. Посібник з ремонту й експлуатації. Книга

продано - 0 шт.
0 шт.

В наличии

Код:002807242

Описание Mercedes S-class W140. Посібник з ремонту й експлуатації. Книга

Книга: Mercedes S-class W140. Посібник з ремонту, інструкція з експлуатації.

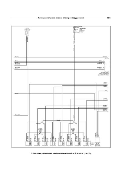
Розраховані моделі S280, S300D,S320, S350TD, CL420, S400, S420, CL500, S500, CL600, S600 зі стандартною та подовженою колісною базою, обладнані V-подібними бензиновими 6-, 8- або 12-циліндровими двигунами, рядовим 6-циліндровим дизним дрилем або V-подібним 8-циліндровим двигуном. Представлені повні електричні схеми, детальні розміри для проведення відновного кузовного ремонту, повні відомості про діагностику електронних систем керування. Детально розглянуті органи керування й дані рекомендації щодо безпечної експлуатації автомобіля.

Видавництво Арус

540 сторінок А4, м'яка обкладинка.

Отзывы и вопросы о - Mercedes S-class W140. Посібник з ремонту й експлуатації. Книга

Не уходи — у этого продавца есть ещё! 🛍️

Дивитися також

Популярные продавцы в категории Руководства по ремонту и эксплуатации автомобиля

DV
AutoGluk
Автокнига 2015

Популярные производители в категории