[[ getCurrentDecimal('520') ]] ₴

Mitsubishi Space Wagon и Space Runner. Руководство по ремонту. Книга

продано - 0 шт.
0 шт.

В наличии

Код:003159658

Описание Mitsubishi Space Wagon и Space Runner. Руководство по ремонту. Книга

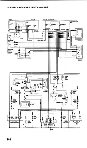
Руководство содержит детальное описание процедур обслуживания и ремонта автомобилей Mitsubishi Space Wagon и Space Runner, выпускаемых с 1991 модельного года. Только Space Wagon выпускается как с бензиновым, так и с дизельным двигателем. Бензиновые двигатели имеют 16 клапанов. Это двигатель объемом 1834 куб. см. для Space Runner и 1997 куб. см. для Space Wagon. Оба двигателя принадлежат к серии двигателей "G". В автомобили Space Wagon вместо 1.8-литрового бензинового двигателя, применявшегося в более ранних моделях, может быть установлен дизельный двигатель с турбонаддувом (2.0 л). Руководство состоит из кратких, понятных инструкций, свободных от излишних сложностей и многочисленных повторов, но тем не менее содержит всю необходимую техническую информацию, а также много диаграмм и иллюстраций. Составленное и проиллюстрированное специалистами, это руководство представляет краткий источник полезной информации, которая соответствует официальным процедурам обслуживания и ремонта, вместе с тем многие инструкции взяты из реальной практики с целью облегчить Вашу работу. Если требуются специальные инструменты, то в случае настоятельной необходимости они указываются в тексте, и мы не смущаемся уведомлять Вас (если чувствуем) о том, что работа не может быть должным образом проделана без использования таких инструментов. В конечном счете самим читателям решать, какую работу они могут выполнить, но, вне всякого сомнения, это руководство в гораздо большем количестве случаев поможет им минимизировать неудобства, потери времени и затраты на обслуживание или вовсе их избежать. Формат книги выбран с тем, чтобы Вы могли хранить ее в автомобиле и пользоваться ей во время поездки. Многие автомобилисты используют такие книги в работе, и если у Вас она с собой, то Вы будете иметь неоценимый источник советов, что быстро скомпенсирует ее скромную цену. В конце руководства приводится диагностика неисправностей. 256 страниц, А5.

Отзывы и вопросы о - Mitsubishi Space Wagon и Space Runner. Руководство по ремонту. Книга

Не уходи — у этого продавца есть ещё! 🛍️

Дивитися також

Популярные продавцы в категории Руководства по ремонту и эксплуатации автомобиля

DV
AutoGluk
Автокнига 2015

Популярные производители в категории