[[ getCurrentDecimal('1000') ]] ₴

Nissan Primera. Руководство по ремонту и эксплуатации. Книга

продано - 0 шт.
0 шт.

В наличии

Код:003159861

Описание Nissan Primera. Руководство по ремонту и эксплуатации. Книга

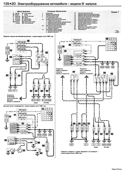
NISSAN PRIMERA. 1990-1999. Модели с бензиновыми двигателями. Ремонт и техническое обслуживание. Подготовка к техосмотру, эксплуатация, электросхемы.

Руководство охватывает: Модели Nissan Primera: "Хэтчбэк", "Седан" и "Универсал" с бензиновыми двигателями двигателями объемом 1,6 л. (1597 см3) и 2,0 л. (1998 см3), в том числе малосерийные выпуски. Не рассмотрены модели с дизельным двигателем, а также новая модель Primera, запущенная в производство с сентября 1999 года. В этом руководстве: текущее обслуживание – простые еженедельные проверки, техническое обслуживание – полное пошаговое руководство, поиск неисправностей – простое решение специфических проблем, дорожные неисправности – что делать в таких случаях, подготовка к техосмотру – пошаговая проверка систем автомобиля, приложение – включает словарь технических терминов, тормозная система – контроль и ремонт во имя безопасности, системы питания и зажигания – некоторые объяснения, электрооборудование – поиск и устранение неисправностей, двигатель – регулировки, малый и большой ремонт, электрические схемы – упрощают поиск элементов, рекомендации по эксплуатации. Руководство базируется на конкретном опыте, полученном в ходе полной разборки и сборки Nissan Primera с использованием самых доступных инструментов. Советы издателя помогут в некотрых случаях обойтись без специальных инструментов и упростить выполнение работы. Для каждого вида работы определен уровень ее сложности и требуемый опыт исполнителя: от простых операций обслуживания для новичка до сложных задач, доступных эксперту. Пошаговые инструкции, сопровождаемые сотнями иллюстраций, показывают, как выполнить ту или иную работу.

432 страницы.

Отзывы и вопросы о - Nissan Primera. Руководство по ремонту и эксплуатации. Книга

Не уходи — у этого продавца есть ещё! 🛍️

Дивитися також

Популярные продавцы в категории Руководства по ремонту и эксплуатации автомобиля

DV
AutoGluk
Автокнига 2015

Популярные производители в категории