[[ getCurrentDecimal('720') ]] ₴

Renault Master / Nissan Interstar / Opel Movano. Посібник з ремонту й експлуатації. Книга

продано - 0 шт.
0 шт.

В наличии

Код:002806177

Описание Renault Master / Nissan Interstar / Opel Movano. Посібник з ремонту й експлуатації. Книга

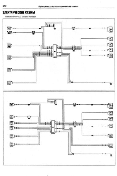
Посібник з ремонту й експлуатації Renault Master/Nissan Interstar/Opel Movano, виробництво яких здійснювалося з 2003 до 2010 року, включно з рестайлінговою моделлю 2006 року. Дизельні двигуни: 1,9 л. (82 л.с.) 2,2 л (90 л.с.) 2,5 л. (99/114 л.с.) 3,0 л. (136 л.с.) Мета цього рукоділля: стати простою і зрозумілою інструкцією, яка дасть змогу грамотно обговорити та спланувати ремонт Вашого автомобіля з професійним механіком або виконати його своїми силами. У Руководстві надаються малюнки та описи, що показують функцію різних деталей і їхнє розташування. Роботи описуються та фотографуються в поетапній послідовності, так що їх може виконати навіть новачок.

Видавництво "Чижівка", 2011

М'яка обкладинка, 440 стор. Якість друку залишає бажати найкращого.

Отзывы и вопросы о - Renault Master / Nissan Interstar / Opel Movano. Посібник з ремонту й експлуатації. Книга

Не уходи — у этого продавца есть ещё! 🛍️

Дивитися також

Популярные продавцы в категории Руководства по ремонту и эксплуатации автомобиля

DV
AutoGluk
Автокнига 2015

Популярные производители в категории