[[ getCurrentDecimal('1000') ]] ₴

Toyota Rav4. Руководство по ремонту и эксплуатации. Книга

продано - 0 шт.
0 шт.

В наличии

Код:001593529

Описание Toyota Rav4. Руководство по ремонту и эксплуатации. Книга

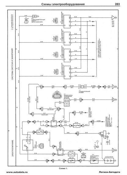
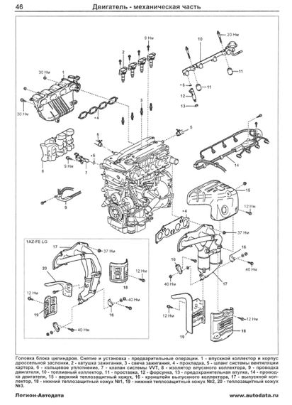
Toyota RAV4. Модели 2000-2005 гг. выпуска с двигателем 1AZ-FE (2,0 л.). Устройство, техническое обслуживание и ремонт. В руководстве дается пошаговое описание процедур по эксплуатации, техническому обслуживанию и ремонту автомобилей Toyota RAV4 2000-2005 гг. выпуска с левосторонним рулевым управлением, оборудованных двигателем 1AZ-FE (2,0 л.). Издание содержит подробные сведения по ремонту и регулировке элементов системы управления бензиновым двигателем, инструкции по использованию самодиагностики системы управления двигателем, АКПП и ABS и рекомендации по регулировке и ремонту механических и автоматических коробок передач, элементов тормозной системы (включая ABS), рулевого управления и подвески. Представлены подробные электросхемы. Описаны возможные неисправности и методы их устранения, сопрягаемые размеры основных деталей и пределы их допустимого износа, рекомендуемые смазочные материалы и рабочие жидкости. Книга предназначена для автовладельцев, персонала СТО и ремонтных мастерских. Издательство "Легион-Автодата". Мягкий переплет, 320 стр.

Отзывы и вопросы о - Toyota Rav4. Руководство по ремонту и эксплуатации. Книга

Не уходи — у этого продавца есть ещё! 🛍️

Дивитися також

Популярные продавцы в категории Руководства по ремонту и эксплуатации автомобиля

DV
AutoGluk
Автокнига 2015

Популярные производители в категории