[[ getCurrentDecimal('520') ]] ₴

Toyota Tercel / Corsa / Corolla II. Руководство по ремонту. Книга

продано - 0 шт.
0 шт.

В наличии

Код:003159626

Описание Toyota Tercel / Corsa / Corolla II. Руководство по ремонту. Книга

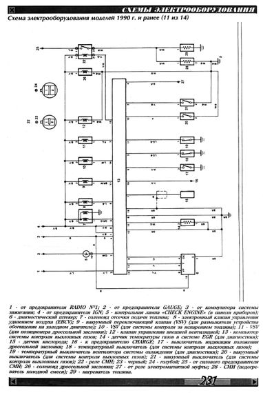
Toyota Tercel / Corsa / Corolla II. Выпуска 1987 - 1994 годов. Бензиновые двигатели 3Е, 3Е-Е. Кузова : седан, хетчбэк. Практическое руководство. Под редакцией С. Афонина . В настоящем руководстве рассматриваются методы проверки и ремонта автомобилей ТОУОТА ,а также все неисправности, их диагностика и устранение. В руководстве описана конструкция автомобиля, изложены последовательно и подробно различные сборочно-разборочные операции, ремонтные и регулировочные работы на автомобиле. Описаны приёмы работ в условиях специализированной мастерской с использованием специальных приспособлений. Также даны конкретные рекомендации по уходу за автомобилем в условиях домашней мастерской. Руководство предназначено для технически грамотных автовладельцев, а также для работников СТО и ремонтных мастерских. В данном руководстве даны характеристики, относящиеся ко всем вариантам указанного автомобиля, поэтому часть информации не имеет отношения именно к Вашей машине. Поскольку конструкция автомобиля и технологический процесс его производства постоянно совершенствовались, приведенные в книге данные могут не соответствовать конкретной модификации автомобиля. Иллюстрации и техническая информация были действительны на момент отправки в печать. Мы не несём ответственности за какие-либо неточности или упущения в данном руко­водстве, но предприняли всё возможное, чтобы сделать его максимально понятным и точным.

248 страниц, мягкая обложка. Качество печати оставляет желать лучшего.

Отзывы и вопросы о - Toyota Tercel / Corsa / Corolla II. Руководство по ремонту. Книга

Не уходи — у этого продавца есть ещё! 🛍️

Дивитися також

Популярные продавцы в категории Руководства по ремонту и эксплуатации автомобиля

DV
AutoGluk
Автокнига 2015

Популярные производители в категории