[[ getCurrentDecimal('900') ]] ₴

ВАЗ-2108 / 2109 / 21099. Посібник з ремонту, каталог деталей. Книга

продано - 0 шт.
0 шт.

В наличии

Код:002768799

Описание ВАЗ-2108 / 2109 / 21099. Посібник з ремонту, каталог деталей. Книга

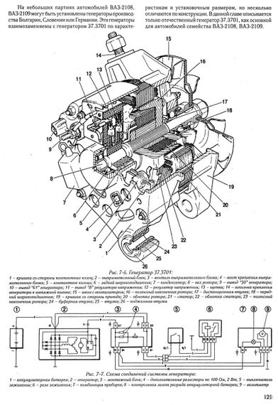
Автомобілі ВАЗ 2108, 2109, 21099 Інструкція з ремонту, каталог деталей. Посібник з ремонту автомобілів ВАЗ-2108 (-21081, -21083, -21083i), ВАЗ-2109 (-21091, -21093, -21093i), ВАЗ-21099, ВАЗ-21099i. Каталог деталей. Кольорові схеми електрообладнання. Книга призначена для власників автомобілів і працівників СТО. М'яка палітурка. 528 стор.

Отзывы и вопросы о - ВАЗ-2108 / 2109 / 21099. Посібник з ремонту, каталог деталей. Книга

Не уходи — у этого продавца есть ещё! 🛍️

Дивитися також

Популярные продавцы в категории Руководства по ремонту и эксплуатации автомобиля

DV
AutoGluk
Автокнига 2015

Популярные производители в категории