[[ getCurrentDecimal('400') ]] ₴

«Волга» ГАЗ 24 / 24-10. Руководство по ремонту.

(0.0)
продано - 0 шт.
0 шт.

В наличии

Код:000702796

Описание «Волга» ГАЗ 24 / 24-10. Руководство по ремонту.

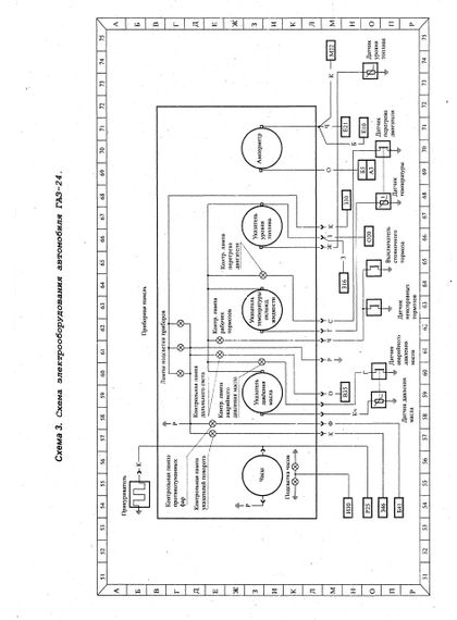
Книга: «Волга» ГАЗ 24 / 24-10. Руководство по ремонту.. Издательство: ПОНЧиК 184 страницы А4, мягкая обложка.

Отзывы и вопросы о - «Волга» ГАЗ 24 / 24-10. Руководство по ремонту.

Не уходи — у этого продавца есть ещё! 🛍️

Дивитися також

Популярные продавцы в категории Руководства по ремонту и эксплуатации автомобиля

DV
AutoGluk
Автокнига 2015

Популярные производители в категории