[[ getCurrentDecimal('740') ]] ₴

Volvo 940 / 960. Посібник з ремонту й експлуатації. Книга

продано - 0 шт.
0 шт.

В наличии

Код:002806369

Описание Volvo 940 / 960. Посібник з ремонту й експлуатації. Книга

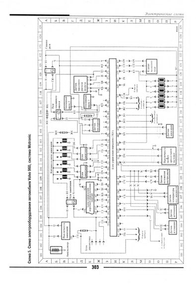
Автомобілі VOLVO 940, 960. Випуски 1990-1997 року. Бензинові двигуни 2,0; 2,3; 2,5; 2,9 л. Ремонт у дорозі. Ремонт у гаражі. Практичний посібник.

У справжньому посібнику розглядаються методи ремонту автомобілів VOLVO 940, 960, а також несправності, їх діагностика та усунення. У посібнику описана конструкція автомобіля, викладені послідовно та докладно різні збірно-розбірні операції, ремонтні та регулювальні роботи на автомобілях. Описані прийоми роботи в умовах спеціалізованої майстерні з використанням спеціальних пристосувань. Також дані конкретні рекомендації щодо догляду за автомобілем в умовах домашньої майстерні. Керівництво призначене для технічно грамотних автовласників, а також для працівників СТО та ремонтних майстерень.

М'яка обкладинка, 312 стор.

Отзывы и вопросы о - Volvo 940 / 960. Посібник з ремонту й експлуатації. Книга

Не уходи — у этого продавца есть ещё! 🛍️

Дивитися також

Популярные продавцы в категории Руководства по ремонту и эксплуатации автомобиля

DV
AutoGluk
Автокнига 2015

Популярные производители в категории