[[ getCurrentDecimal('650') ]] ₴

Chevrolet Captiva. Посібник з ремонту й експлуатації. Книга

продано - 0 шт.
0 шт.

В наявності

Код:002806212

Опис Chevrolet Captiva. Посібник з ремонту й експлуатації. Книга

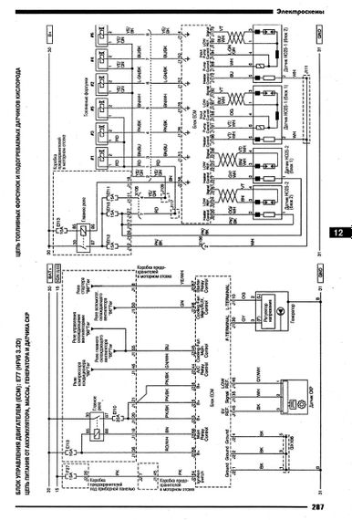
У виданні представлено посібник з технічного обслуговування та ремонту автомобілів Chevrolet Captiva випуску з 2007 року з бензиновими двигунами FAM II 2.4D, HFV6 3.2L. Видання містить посібник з експлуатації, докладні інструкції з обслуговування, діагностики, ремонту та регулювання елементів систем двигуна (змазування, охолодження, запуску, заряджання, системи впорскування палива бензинового двигуна), автоматичних коробок передач, роздавальної коробки, гальмівної системи (включно з антиблокувальною системою гальм (ABS)), кермового керування тощо. Представлені докладні електросхеми та описи перевірок електрообладнання. Отримана в інструкції інформація дасть змогу власникам самостійно здійснювати грамотне обслуговування автомобіля й не доводити його стану до дорогого ремонту. У разі ремонту, цей посібник стане незамінним засобом з виявлення й усунення несправностей у всіх компонентах автомобіля. Покроковий та наочний опис ремонтних процедур, достаток малюнків, великі довідкові ремонтні дані дадуть змогу кваліфіковано підібрати варіанти заміни запчастин, які відповідають регулюванню, правку кузова тощо. Книга призначена для персоналу СТО, ремонтних майстерень і автовласників.

312 сторінки, м'яка обкладинка.

Відгуки та питання про - Chevrolet Captiva. Посібник з ремонту й експлуатації. Книга

Не йди - у цього продавця є ще! 🛍️

Дивитися також

Популярні продавці в категорії Посібники з ремонту та експлуатації автомобіля

DV
AutoGluk
Автокнига 2015

Популярні виробники в категорії