Маркетплейс твоєї Країни![]()
Характеристики Chevrolet Lumina / Pontiac Trans Sport / Oldsmobile Silhouette. Руководство по ремонту. Книга
| Виробник | |
| Тип | Керівництво по ремонту/експлуатації |
| Стан | Новий |
| Марка | Chevrolet |
| Кількість сторінок | 184 шт. |
| Сумісність з маркою | Oldsmobile|Pontiac |
Опис Chevrolet Lumina / Pontiac Trans Sport / Oldsmobile Silhouette. Руководство по ремонту. Книга
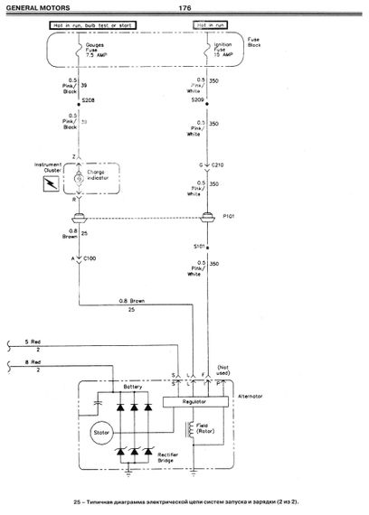
Техническая инструкция по ремонту, а также описание устройства автомобиля и рекомендации по техническому обслуживанию Chevrolet Lumina / Pontiac Trans Sport / Oldsmobile Silhouette 1990-1994 годов выпуска, оборудованных V-образными 6-цилиндровыми двигателями рабочим объемом 3,1 и 3,8 л. Данная книга включает в себя подробное описание конструкции автомобилей, а также грамотные рекомендации по осуществлению своевременного технического обслуживания и ремонта основных систем, узлов и агрегатов автомобиля. Так, составители пособия приводят описание ремонтных работ на двигателях Oldsmobile Silhouette / Chevrolet Lumina / Pontiac Trans Sport, В книге подробно описана работа всех систем автомобилей и способы диагностики и устранения неисправностей. Кроме того уделено внимание устранению неполадок системы охлаждения, отопления и кондиционирования, топливной системы, коробки передач, тормозной системы, подвески и рулевого управления, кузова, электрооборудования. Отдельными главами пособия выделены важные и нужные каждому аккуратному водителю с рекомендации по техническому обслуживанию и схемы электрооборудования (электросхемы). Технический справочник адресован всем владельцам автомобилей Oldsmobile Silhouette / Chevrolet Lumina / Pontiac Trans Sport, работникам СТО и авторемонтных мастерских, а также всем тем, кто занимается ремонтом и обслуживанием подобных моделей автомобилей.
Відгуки та питання про - Chevrolet Lumina / Pontiac Trans Sport / Oldsmobile Silhouette. Руководство по ремонту. Книга
0.0
Всього відгуків:0
Chevrolet Lumina / Pontiac Trans Sport / Oldsmobile Silhouette. Руководство по ремонту. Книга
[[ getCurrentDecimal('600') ]] ₴