Маркетплейс твоєї Країни![]()
Характеристики Dodge Caravan/ Chrysler Town/ Chrysler Country/ Plymouth Voyager бензин. Руководство по ремонту. Книга
| Виробник | |
| Марка | Chrysler |
| Кількість сторінок | 344 шт. |
| Сумісність з маркою | Chrysler |
Опис Dodge Caravan/ Chrysler Town/ Chrysler Country/ Plymouth Voyager бензин. Руководство по ремонту. Книга
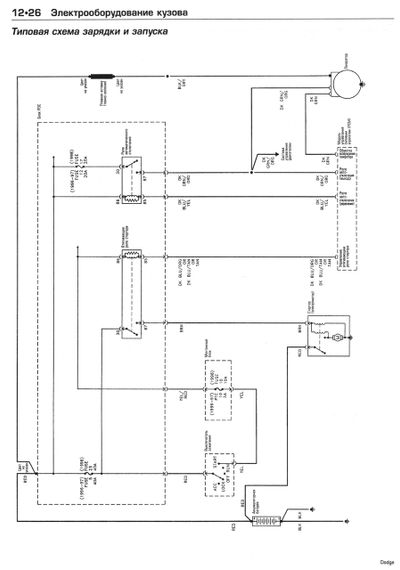
DODGE CARAVAN. Plymouth Voyager. Chrysler Town & Country. Мини-вэны моделей 1996-2002. Ремонт и техническое обслуживание. Подготовка к техосмотру, эксплуатация, электросхемы. В Руководстве рассмотрены: Dodge Caravan, Plymouth Voyager, Chrysler Town & Country. Мини-вэны моделей 1996-2002 гг. с бензиновыми двигателями объемом 2.4, 3.0, 3.3 и 3.8 л. Информация о полноприводных моделях и моделях, использующих альтернативные виды топлива, не представлена. В этом руководстве: текущее обслуживание - простые еженедельные проверки, техническое обслуживание - полные пошаговые инструкции, поиск неисправностей - простое решение специфических проблем, тормозная система - контроль и ремонт, система питания - некоторые объяснения, двигатель - регулировки, ремонт, электрооборудование - диагностика и ремонт, электрические схемы - легкий поиск элементов, рекомендации по эксплуатации, подробные ссылки - быстрый поиск сведений. Пошаговые инструкции, сопровождаемые сотнями иллюстраций, показывают, как выполнить любую операцию. Поиск неисправностей - упрощает сложные проблемы. Все процедуры разделены по степени сложности и требуемому уровню опыта исполнителя. Советы издателя упрощают задачи по ремонту. Советы по использованию инструментов помогают обойтись без специальных приспособлений. Руководство содержит рекомендации опытных механиков по разборке и ремонту автомобилей с использованием обычных инструментов. Примечания и предупреждения для автолюбителя. Издательство "Алфамер Паблишинг". 344 страницы.
Відгуки та питання про - Dodge Caravan/ Chrysler Town/ Chrysler Country/ Plymouth Voyager бензин. Руководство по ремонту. Книга
0.0
Всього відгуків:0
Dodge Caravan/ Chrysler Town/ Chrysler Country/ Plymouth Voyager бензин. Руководство по ремонту. Книга
[[ getCurrentDecimal('960') ]] ₴