[[ getCurrentDecimal('1200') ]] ₴

Ford Transit с 2006 Руководство по ремонту и эксплуатации. Книга

продано - 0 шт.
0 шт.

В наявності

Код:002152026

Опис Ford Transit с 2006 Руководство по ремонту и эксплуатации. Книга

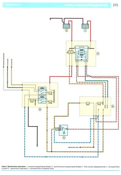
Руководство по ремонту и эксплуатации автомобилей Ford Transit с 2006 г. выпуска, оснащенного бензиновыми двигателями: 2,3 л. дизельными двигателями: 2,2 л. 2,4 л. В издании подробно рассмотрено устройство автомобиля, даны рекомендации по эксплуатации и ремонту. Специальный раздел посвящен неисправностям в пути, способам их диагностики и устранения. Все подразделы, в которых описаны обслуживание и ремонт агрегатов и систем, содержат перечни возможных неисправностей и рекомендации по их устранению, а также указания по разборке, сборке, регулировке и ремонту узлов и систем автомобиля с использованием стандартного набора инструментов в условиях гаража. Операции по регулировке, разборке, сборке и ремонту автомобиля снабжены пиктограммами, характеризующими сложность работы, число исполнителей, место проведения работы и время, необходимое для ее выполнения. Указания по разборке, сборке, регулировке и ремонту узлов и систем автомобиля с использованием готовых запасных частей и агрегатов приведены пооперационно и подробно иллюстрированы цветными фотографиями и рисунками, благодаря которым даже начинающий автолюбитель легко разберется в ремонтных операциях. Структурно все ремонтные работы разделены по системам и агрегатам, на которых они проводятся (начиная с двигателя и заканчивая кузовом). По мере необходимости операции снабжены предупреждениями и полезными советами на основе практики опытных автомобилистов. Структура книги составлена так, что фотографии или рисунки без порядкового номера являются графическим дополнением к последующим пунктам. При описании работ, которые включают в себя промежуточные операции, последние указаны в виде ссылок на подраздел и страницу, где они подробно описаны. В приложениях содержатся необходимые для эксплуатации, обслуживания и ремонта сведения о моментах затяжки резьбовых соединений, применяемых лампах, свечах зажигания, смазочных материалах и специальных жидкостях. В конце книги приведены цветные электросхемы. Книга предназначена для автолюбителей и специалистов СТО. Издательство Третий Рим. 2014. Мягкий переплет, 304 стр.

Відгуки та питання про - Ford Transit с 2006 Руководство по ремонту и эксплуатации. Книга

Не йди - у цього продавця є ще! 🛍️

Дивитися також

Популярні продавці в категорії Посібники з ремонту та експлуатації автомобіля

DV
AutoGluk
Автокнига 2015

Популярні виробники в категорії