[[ getCurrentDecimal('1200') ]] ₴

Ford Transit з 2006 Інструкція з ремонту й експлуатації. Книга

продано - 0 шт.
0 шт.

В наявності

Код:002768967

Опис Ford Transit з 2006 Інструкція з ремонту й експлуатації. Книга

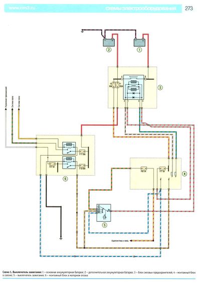
Посібник з ремонту й експлуатації автомобілів Ford Transit з 2006 р. випуску, обладнаного бензиновими двигунами: 2,3 л. дизельними двигунами: 2,2 л. 2,4 л. У виданні докладно розглянуто пристрій автомобіля, дано рекомендації з експлуатації та ремонту. Спеціальний розділ присвячений несправностям у дорозі, способам їх діагностики та усуненням. Усі підрозділи, у яких описані обслуговування і ремонт агрегатів і систем, містять переліки можливих несправностей і рекомендації щодо їх усунення, а також вказівки щодо розбирання, збирання, регулювання та ремонту вузлів і систем автомобіля з використанням стандартного набору інструментів в умовах гаража. Операції з регулювання, розбирання, збирання та ремонту автомобіля забезпечені піктограмами, що характеризують складність роботи, число виконавців, місце проведення роботи та час, необхідний для її виконання. Вказівки щодо розбирання, збирання, регулювання та ремонту вузлів і систем автомобіля з використанням готових запасних частин і агрегатів наведені поопераційно та докладно ілюстровані кольоровими фотографіями та малюнками, завдяки яким навіть початківець автолюбить легко розбереться в ремонтних операціях. Структурно всі ремонтні роботи розділені за системами й агрегатами, на яких вони проводяться (починаючи з двигуна та закінчуючи кузовом). У міру потреби операції забезпечені попередженнями та корисними порадами на основі практики досвідчених автомобілістів. Структура книги складена так, що світлини або малюнки без порядкового номера є графічним доповненням до наступних пунктів. Під час опису робіт, які містять проміжні операції, останні вказані як посилання на підрозділ і сторінку, де вони докладно описані. У застосунках містяться необхідні для експлуатації, обслуговування та ремонту відомості про моменти затягування нарізних з'єднань, застосовуваних лампах, свічки запалювання, мастильні матеріали та спеціальні рідини. Наприкінці книги наведені кольорові електросхеми. Книга призначена для автолюбів та фахівців СТО. Видавництво Третій Рим. 2014. М'яка обкладинка, 304 стор.

Відгуки та питання про - Ford Transit з 2006 Інструкція з ремонту й експлуатації. Книга

Не йди - у цього продавця є ще! 🛍️

Дивитися також

Популярні продавці в категорії Посібники з ремонту та експлуатації автомобіля

DV
AutoGluk
Автокнига 2015

Популярні виробники в категорії