[[ getCurrentDecimal('520') ]] ₴

Honda Civic. Руководство по ремонту. Книга

продано - 0 шт.
0 шт.

В наявності

Код:002152193

Опис Honda Civic. Руководство по ремонту. Книга

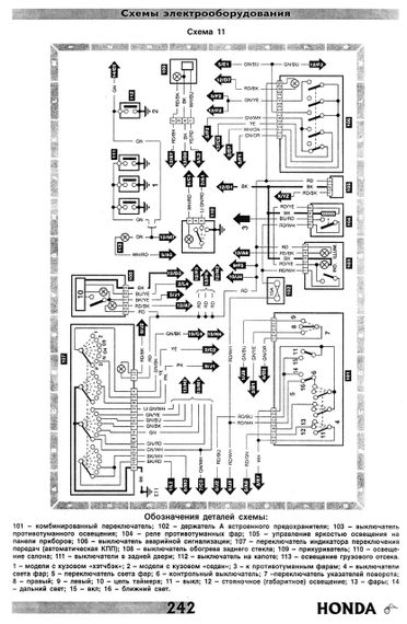
Репринтная книга: Руководство по ремонту Honda Civic. Модели с 1991 по 1996 год выпуска, оборудованные бензиновыми двигателями 256 страниц А4, мягкая обложка.

Відгуки та питання про - Honda Civic. Руководство по ремонту. Книга

Не йди - у цього продавця є ще! 🛍️

Дивитися також

Популярні продавці в категорії Посібники з ремонту та експлуатації автомобіля

DV
AutoGluk
Автокнига 2015

Популярні виробники в категорії