[[ getCurrentDecimal('900') ]] ₴

Infiniti QX 4. Посібник з ремонту й експлуатації. Книга

продано - 0 шт.
0 шт.

В наявності

Код:002807275

Опис Infiniti QX 4. Посібник з ремонту й експлуатації. Книга

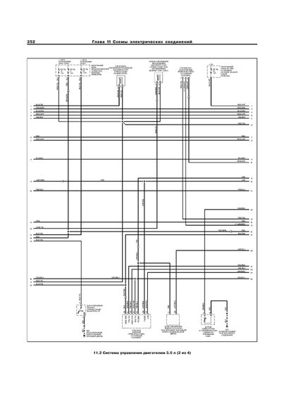
Книга: Infiniti QX 4. Посібник з ремонту й експлуатації.

Модели з 1996 року випуску, із шестициліндровим, 24-клапанним V-подібним бензиновим двигуном DOHC 3.3 л, обладнані 4-ступеневою автоматичною трансмісією з підвищувальним передаванням і електронним керуванням.

Видавництво "Арус"

400 сторінок, А4, м'яка обкладинка.

Відгуки та питання про - Infiniti QX 4. Посібник з ремонту й експлуатації. Книга

Не йди - у цього продавця є ще! 🛍️

Дивитися також

Популярні продавці в категорії Посібники з ремонту та експлуатації автомобіля

DV
AutoGluk
Автокнига 2015

Популярні виробники в категорії