Маркетплейс твоєї Країни![]()
Характеристики КС468А (КС522А) Стабілітрон 6,8V. (6.12... 7,48 В) Корпус КД8
| Виробник | |
| Матеріал виготовлення | Кремній |
| Тип діода | Стабілітрон |
| Призначення діода | Обмежувальний |
| Максимальна потужність розсіювання | 0.34 Вт |
| Номінальна напруга стабілізації | 6.8 В |
| Страна происхождения | СССР |
Опис КС468А (КС522А) Стабілітрон 6,8V. (6.12... 7,48 В) Корпус КД8
КС468А
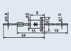
Стабільйони КС468А кремнієві, дифузійно-сплавні, середньої потужності. Призначені для стабілізації номінальної напруги 6,8 В діапазоні струмів стабілізації 3...119 мА. Використовуються для роботи в електронній апаратурі загального призначення. Випускаються в металостекуваному корпусі з гнучкими різноспрямованими виведеннями. Маркуються цифро-букванним кодом, схема з'єднання електродів із виведеннями вказується на корпусі. Корпус стабілітрона в робочому режимі слугує позитивним електродом (анодом). Тип корпусу КД-8, маса не більш ніж 1,0 г. Категорія якості: «ОТК». Технічні умови: - приймання «1» АА0.336.001ТУ. Імпортний аналог: 1N3785A. Основні технічні параметри стабілізрона КС468А: • Номінальна напруга стабілізації: 6,8 В при Iст 30 мА; • Розкидання напруги стабілізації: 6.12... 7,48 В; • Температурний коефіцієнт напруги стабілізації: 0.065 %/°С; • Тимчасова нестабільність напруги стабілізації стабілізатора: ±1,5%; • Диференціальний опір стабілізрона: 5 Ом за Iст 30 мА; • Мінімально допустимий струм стабілізації: 3 мА; • Максимально допустимий струм стабілізації: 119 мА; • Максимально допустима розсіювана потужність на стабілізроні: 1 Вт; • Робочий інтервал температури довкілля: -60... +100 °С
Технічні характеристики стабілізаторів КС433А, КС439А, КС447А, КС456А, КС468А:
| Тип стабілізрона | Uст. | αUст. | Uпр. (при Iпр.) | rст. | Iст. | Рmax | Тк.max (Тп.) | Т окр. | ||||
|---|---|---|---|---|---|---|---|---|---|---|---|---|
| хв | ном | макс | Iст.ном. | хв | макс | |||||||
| В | В | В | мА | %/С | В (мА) | Ом | мА | мА | Вт | °С | °С | |
| КС433А | 2,97 | 3,3 | 3,63 | 60 | –0,1...0 | 1 (50) | 25 | 3 | 191 | 1 | 100 | -60... +100 |
| КС439А | 3,51 | 3,9 | 4,29 | 51 | –0,1...0 | 1 (50) | 25 | 3 | 176 | 1 | 100 | -60... +100 |
| КС447А | 4,23 | 4,7 | 5,17 | 43 | –0,08...+0,03 | 1 (50) | 18 | 3 | 159 | 1 | 100 | -60... +100 |
| КС456А | 5,04 | 5,6 | 6,16 | 36 | 0...+0,05 | 1 (50) | 7 | 3 | 139 | 1 | 100 | -60... +100 |
| КС468А | 6,12 | 6,8 | 7,48 | 30 | 0...+0,065 | 1 (50) | 5 | 3 | 119 | 1 | 100 | -60... +100 |
Усоловні позначення електричних параметрів стабілізронів:
• Uст. - напруга стабілізації стабілізатора; • αUст. - температурний коефіцієнт напруги стабілізації стабілізатора; • Uпр. - постійна пряма напруга; • Iпр. - постійний прямий струм; • rст. - диференціальний опір стабілізрона; • Iст. - струм стабілізації стабілізатора; • Рmax - розсіювана потужність стабілізрона; • Тк. мах - максимально допустима температура корпусу стабілізрона; • Тп. мах - максимально допустима температура переходу стабілізрона; • Т окр. - температура довкілля.