[[ getCurrentDecimal('400') ]] ₴

Lada Kalina ВАЗ 1118 / 1119 (Лада Калина). Посібник з ремонту й експлуатації

продано - 0 шт.
0 шт.

В наявності

Код:002806266

Опис Lada Kalina ВАЗ 1118 / 1119 (Лада Калина). Посібник з ремонту й експлуатації

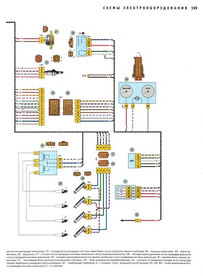
Книга: Лада Калина ВАЗ 1117 / 1118 / 1119 (Lada Kalina).

Посібник з ремонту, інструкція з експлуатації.

Видавництво ІДТР

208 сторінок, м'яка обкладинка.

Відгуки та питання про - Lada Kalina ВАЗ 1118 / 1119 (Лада Калина). Посібник з ремонту й експлуатації

Не йди - у цього продавця є ще! 🛍️

Дивитися також

Популярні продавці в категорії Посібники з ремонту та експлуатації автомобіля

DV
AutoGluk
Автокнига 2015

Популярні виробники в категорії