[[ getCurrentDecimal('1100') ]] ₴

Nissan Almera Classic. Руководство по ремонту и ТО. Книга

продано - 0 шт.
0 шт.

В наявності

Код:002152065

Опис Nissan Almera Classic. Руководство по ремонту и ТО. Книга

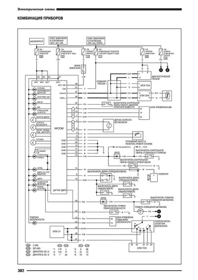
NISSAN ALMERA CLASSIC. Модели в кузове В10 выпуска с 2006 г. с бензиновым двигателем QG16DE. Устройство, техническое обслуживание, ремонт. В издании представлено руководство по техническому обслуживанию и ремонту автомобилей NISSAN ALMERA CLASSIC выпуска c 2006 г., оснащенных бензиновым двигателем QG16DE с системой бесступенчатого регулирования фаз газораспределения (CVTC). Издание содержит подробные инструкции по обслуживанию, диагностике, ремонту и регулировке двигателя и системы управления двигателем, тормозной системы (включая антиблокировочную систему ABS, систему распределения тормозных усилий EBD и систему Nissan Brake Assist), АКП, рулевого управления и т.д. Подробно представлены процедуры самодиагностики и коды неисправностей систем управления двигателем, АКП, ABS и т.д. Имеющаяся в руководстве информация позволит автовладельцам самостоятельно проводить грамотное обслуживание автомобиля и не доводить его состояние до дорогостоящего ремонта. В случае ремонта, данное руководство послужит незаменимым средством по выявлению и устранению неисправностей во всех компонентах автомобиля. Пошаговое и наглядное описание ремонтных процедур, изобилие рисунков, обширные справочные ремонтные данные позволят квалифицированно подобрать варианты замены запчастей, произвести соответствующие регулировки, правку кузова и т. д. Книга предназначена для персонала СТО, ремонтных мастерских и автовладельцев. Издательство "Автонавигатор". 2007. Мягкий переплет, 344 стр.

Відгуки та питання про - Nissan Almera Classic. Руководство по ремонту и ТО. Книга

Не йди - у цього продавця є ще! 🛍️

Дивитися також

Популярні продавці в категорії Посібники з ремонту та експлуатації автомобіля

DV
AutoGluk
Автокнига 2015

Популярні виробники в категорії