[[ getCurrentDecimal('900') ]] ₴

Nissan Bluebird. Посібник з ремонту й експлуатації.

продано - 0 шт.
0 шт.

В наявності

Код:002807032

Опис Nissan Bluebird. Посібник з ремонту й експлуатації.

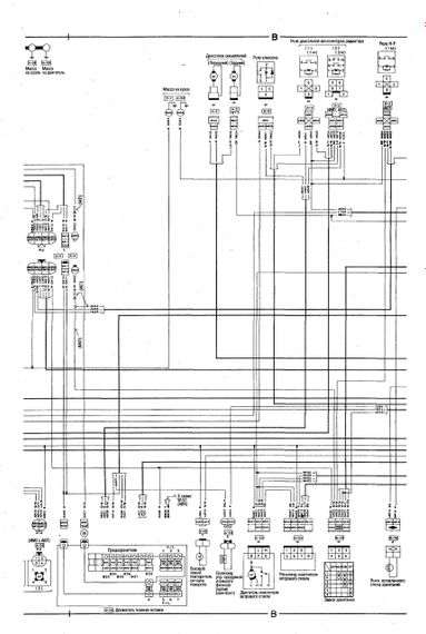
У виданні представлено посібник з експлуатації, технічного обслуговування та ремонту праворульних автомобілів Nissan Bluebird у кузові U14 (моделі 2WD і 4WD) випуску 1996-2001 рр., обладнаних бензиновими двигунами SR18DE, SR18DE (Lean Burn), SR20DE з різними системами підготовки суміші (DE з розподіленим уприскуванням, DE (Lean Burn) двигуни, що працюють на надповільній суміші). Видання містить докладні інструкції з обслуговування, діагностики, ремонту та регулювання двигунів і систем керування двигунами, гальмівної системи (включно з антиблокуванням ABS), АКП, CVT, кермовим керуванням тощо. Детально представлені процедури самодіагностики та коди несправностей систем керування двигуном, АКП, CVT, і ABS тощо. Представлений повний комплект електричних схем. Отримана в інструкції інформація дасть змогу власникам самостійно здійснювати грамотне обслуговування автомобіля й не доводити його стану до дорогого ремонту. У разі ремонту, цей посібник стане незамінним засобом з виявлення й усунення несправностей у всіх компонентах автомобіля. Покроковий та наочний опис ремонтних процедур, достаток малюнків, великі довідкові ремонтні дані дадуть змогу кваліфіковано підібрати варіанти заміни запчастин, які відповідають регулюванню, правку кузова тощо. Книга призначена для персоналу СТО, ремонтних майстерень і автовласників.

Видавництво: Автонавігатор

440 сторінок, А4, м'яка обкладинка.

Відгуки та питання про - Nissan Bluebird. Посібник з ремонту й експлуатації.

Не йди - у цього продавця є ще! 🛍️

Дивитися також

Популярні продавці в категорії Посібники з ремонту та експлуатації автомобіля

DV
AutoGluk
Автокнига 2015

Популярні виробники в категорії