[[ getCurrentDecimal('600') ]] ₴

Nissan Terrano II и Ford Maverick. Посібник з ремонту й експлуатації. Книга

продано - 0 шт.
0 шт.

В наявності

Код:002768915

Опис Nissan Terrano II и Ford Maverick. Посібник з ремонту й експлуатації. Книга

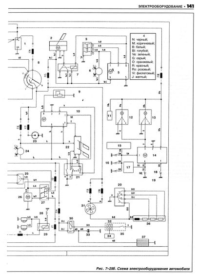
Автомобілі Nissan Terrano II і Ford Maverick. Посібник з експлуатації, ремонту та технічного обслуговування.

У цьому посібнику представлені автомобілі NISSAN TERRANO II і FORD MAVERICK, обладнані бензиновими двигунами 2,4 л. (техобслуговування) і турбодизельними двигунами 2,7 л. (техобслуговування та ремонт), з автоматичними та механічними коробками передач, тридверним і п'ятидверним варіантами кузова, з 1993 року випуску. У книзі дається опис технічного обслуговування та ремонту автомобілів на базі готових запасних частин, переліку можливих несправностей і рекомендації щодо їх усунення, а також вказівки щодо розбирання та збирання, регулювання та ремонту вузлів автомобілів. У розділі "Інструкція з експлуатації та технічного обслуговування" надаються відомості про автомобілі як із бензиновим, так і з дизельним двигунами. У розділі "Руководство з ремонту" розглядаються тільки автомобілі з дизельними двигунами. Призначена для авторемонтних майстерень і підготовлених автолюбів.

Видавництво "Атласи автомобілів", 2003. М'яка обкладинка, 160 стор.

Відгуки та питання про - Nissan Terrano II и Ford Maverick. Посібник з ремонту й експлуатації. Книга

Не йди - у цього продавця є ще! 🛍️

Дивитися також

Популярні продавці в категорії Посібники з ремонту та експлуатації автомобіля

DV
AutoGluk
Автокнига 2015

Популярні виробники в категорії