[[ getCurrentDecimal('350') ]] ₴

ПАЗ-32053-07 і ПАЗ-4234. Посібник з експлуатації. Книга

продано - 0 шт.
0 шт.

В наявності

Код:002806282

Опис ПАЗ-32053-07 і ПАЗ-4234. Посібник з експлуатації. Книга

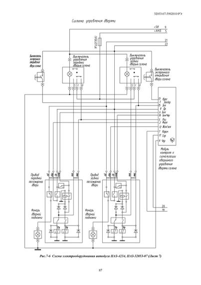
Книга: ПАЗ-32053-07 і ПАЗ-4234. Посібник з експлуатації.

116 сторінок, м'яка обкладинка.

Відгуки та питання про - ПАЗ-32053-07 і ПАЗ-4234. Посібник з експлуатації. Книга

Не йди - у цього продавця є ще! 🛍️

Дивитися також

Популярні продавці в категорії Посібники з ремонту та експлуатації автомобіля

DV
AutoGluk
Автокнига 2015

Популярні виробники в категорії