[[ getCurrentDecimal('1500') ]] ₴

Renault Magnum. Посібник з ремонту й експлуатації. Книга

продано - 0 шт.
0 шт.

В наявності

Код:002768783

Опис Renault Magnum. Посібник з ремонту й експлуатації. Книга

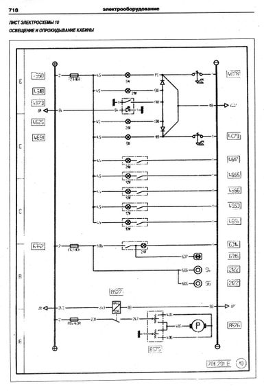
RENAULT MAGNUM з 1990 по 2006 г. дизель. Книга з ремонту Посібник з ремонту Рено Магнум, а також посібник з експлуатації та технічного обслуговування вантажних автомобілів Renault Magnum, які випускалися з 1990 до 2006 рр. й обладналися дизельними двигунами MIDR, ЕЕ9. М'яка палітурка, 832 стр.

Відгуки та питання про - Renault Magnum. Посібник з ремонту й експлуатації. Книга

Не йди - у цього продавця є ще! 🛍️

Дивитися також

Популярні продавці в категорії Посібники з ремонту та експлуатації автомобіля

DV
AutoGluk
Автокнига 2015

Популярні виробники в категорії