[[ getCurrentDecimal('640') ]] ₴

SUBARU серия 2. Руководство по ремонту и эксплуатации. Книга

продано - 0 шт.
0 шт.

В наявності

Код:002151929

Опис SUBARU серия 2. Руководство по ремонту и эксплуатации. Книга

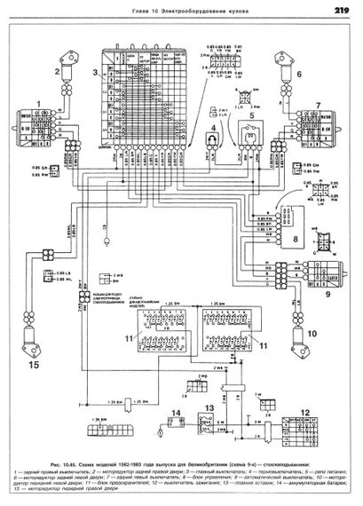
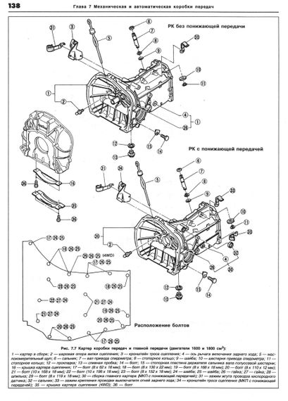
Книга по ремонту Субару 2 серии, а также инструкция по техническому облуживанию и эксплуатации автомобилей Subaru 2 серии с 1979 по 1987 гг. выпуска. Предлагаемое техническое издание расскажет своему будущему пользователю об особенностях эксплуатации авто, правилах технического обслуживания, о диагностике неполадок и способах их устранения. Особое внимание составители мануала уделили изучению специфики проведения работ по регулировке и ремонту двигателя Субару 2 серии и электрооборудованию двигателя. Кроме того, в книге рассматриваются способы устранения неисправностей системы охлаждения, отопления и кондиционирования воздуха, топливной системы и системы выпуска отработавших газов, системы снижения токсичности отработавших газов, МКПП и АКПП, сцепления, тормозной системы, подвески. Рулевого управления. В отдельном разделе рассматриваются кузовные работы. Настоящее руководство призвано оказывать всестороннюю помощь и поддержку владельцам автомобилей Subaru 2 серии как при проведении запланированного обслуживания и ремонта своего транспортного средства, а также книга сможет стать великолепным помощником и советчиком в дороге. Данное техническое пособие адресовано всем владельцам автомобилей Субару 2 серии, специалистам авторемонтных мастерских и автосервисов. Издательство "Атласы автомобилей". Мягкий переплет, 304 стр.

Відгуки та питання про - SUBARU серия 2. Руководство по ремонту и эксплуатации. Книга

Не йди - у цього продавця є ще! 🛍️

Дивитися також

Популярні продавці в категорії Посібники з ремонту та експлуатації автомобіля

DV
AutoGluk
Автокнига 2015

Популярні виробники в категорії