[[ getCurrentDecimal('740') ]] ₴

Toyota Camry. Руководство по ремонту и эксплуатации. Книга

продано - 0 шт.
0 шт.

В наявності

Код:002152597

Опис Toyota Camry. Руководство по ремонту и эксплуатации. Книга

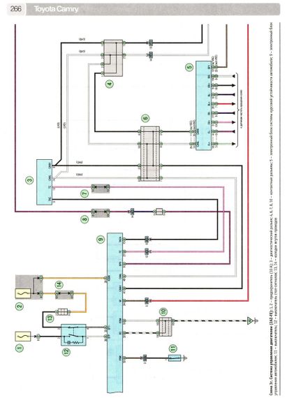
Руководство по эксплуатации, техническому обслуживанию и ремонту автомобиля Toyota Camry / Тойота Камри 6-го поколения с двигателями 2AZ-FE (DOHC, 2,4 л) и 2GR-FE (DOHC, 3,5 л). В издании подробно рассмотрено устройство автомобиля, даны рекомендации по эксплуатации и ремонту. Специальный раздел посвящен неисправностям в пути, способам их диагностики и устранения. Все подразделы, в которых описаны обслуживание и ремонт агрегатов и систем, содержат перечни возможных неисправностей и рекомендации по их устранению, а также указания по разборке, сборке, регулировке и ремонту узлов и систем автомобиля с использованием стандартного набора инструментов в условиях гаража. Операции по регулировке, разборке, сборке и ремонту автомобиля снабжены пиктограммами, характеризующими сложность работы, число исполнителей, место проведения работы и время, необходимое для ее выполнения. Указания по разборке, сборке, регулировке и ремонту узлов и систем автомобиля с использованием готовых запасных частей и агрегатов приведены пооперационно и подробно иллюстрированы фотографиями и рисунками, благодаря которым даже начинающий автолюбитель легко разберется в ремонтных операциях. Структурно все ремонтные работы разделены по системам и агрегатам, на которых они проводятся (начиная с двигателя и заканчивая кузовом). По мере необходимости операции снабжены предупреждениями и полезными советами на основе практики опытных автомобилистов. Структура книги составлена так, что фотографии или рисунки без порядкового номера являются графическим дополнением к последующим пунктам. При описании работ, которые включают в себя промежуточные операции, последние указаны в виде ссылок на подраздел и страницу, где они подробно описаны. В приложениях содержатся необходимые сведения о моментах затяжки резьбовых соединений, свечах зажигания, давлении в шинах, горюче-смазочных материалах и эксплуатационных жидкостях, диагностических кодах неисправностей и контрольных размерах кузова. В конце книги приведены цветные электросхемы. Книга предназначена для автолюбителей и специалистов СТО. 336 страниц, мягкая обложка.

Відгуки та питання про - Toyota Camry. Руководство по ремонту и эксплуатации. Книга

Не йди - у цього продавця є ще! 🛍️

Дивитися також

Популярні продавці в категорії Посібники з ремонту та експлуатації автомобіля

DV
AutoGluk
Автокнига 2015

Популярні виробники в категорії

Ви підглядали 👀