[[ getCurrentDecimal('620') ]] ₴

Toyota Rav4. Посібник з ремонту й експлуатації.

продано - 0 шт.
0 шт.

В наявності

Код:002806888

Опис Toyota Rav4. Посібник з ремонту й експлуатації.

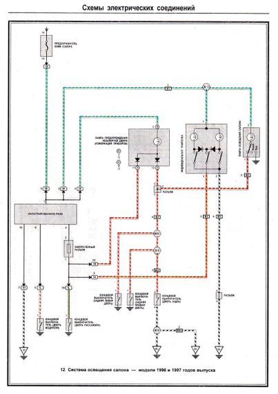
Книга:Toyota Rav4. Інструкція з експлуатації та експлуатації. Моделі з 1994 до 2004 року випуску, обладнані бензиновими та дизельними двигунами.

Видавництво "Гуси-лебеді".

312 сторінки, м'яка обкладинка.

Відгуки та питання про - Toyota Rav4. Посібник з ремонту й експлуатації.

Не йди - у цього продавця є ще! 🛍️

Дивитися також

Популярні продавці в категорії Посібники з ремонту та експлуатації автомобіля

DV
AutoGluk
Автокнига 2015

Популярні виробники в категорії