[[ getCurrentDecimal('1000') ]] ₴

Toyota Rav4. Руководство по ремонту и эксплуатации. Книга

продано - 0 шт.
0 шт.

В наявності

Код:002151977

Опис Toyota Rav4. Руководство по ремонту и эксплуатации. Книга

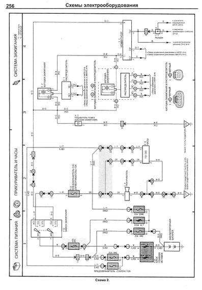
Руководство по ремонту Toyota Rav4 1994-2000 гг. выпуска с бензиновым двигателем 3S-FE (2,0 л). Издание содержит руководство по эксплуатации, подробные сведения по техническому обслуживанию автомобиля; диагностике, ремонту и регулировке элементов систем двигателя (в. т.ч. систем впрыска топлива (EFI), систем смазки и охлаждения, зажигания, запуска и зарядки), рекомендации по регулировке и ремонту механических (МКПП) и автоматических коробок передач (АКПП), раздаточной коробки (системы полного привода (4WD)), заднего редуктора, элементов тормозной системы (включая ABS), рулевого управления, подвески, кузовных элементов, кондиционирования и вентиляции (АС). Приведены инструкции по диагностике 4 электронных систем: системы управления бензиновым двигателем, АКПП, ABS и SRS. Подробно описаны 103 кода неисправностей P0, P1, Flash; условия их возникновения и возможные причины. Приведены разъемы и процедуры проверки сигналов на выводах блоков управления различными системами - PinData. Представлены 58 подробных электросхем (14 систем) для различных вариантов комплектации, описание большинства элементов электрооборудования. Издательство "Легион-Автодата". Мягкий переплет, 280 стр.

Відгуки та питання про - Toyota Rav4. Руководство по ремонту и эксплуатации. Книга

Не йди - у цього продавця є ще! 🛍️

Дивитися також

Популярні продавці в категорії Посібники з ремонту та експлуатації автомобіля

DV
AutoGluk
Автокнига 2015

Популярні виробники в категорії