[[ getCurrentDecimal('400') ]] ₴

ВАЗ 21213 / 21214 / 21215 Нива. Посібник з ремонту.

продано - 0 шт.
0 шт.

В наявності

Код:002806535

Опис ВАЗ 21213 / 21214 / 21215 Нива. Посібник з ремонту.

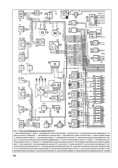
Книга: ВАЗ 21213/21214/21215 Нива

Посібник з ремонту.

238 сторінок А4, м'яка обкладинка.

Відгуки та питання про - ВАЗ 21213 / 21214 / 21215 Нива. Посібник з ремонту.

Не йди - у цього продавця є ще! 🛍️

Дивитися також

Популярні продавці в категорії Посібники з ремонту та експлуатації автомобіля

DV
AutoGluk
Автокнига 2015

Популярні виробники в категорії