[[ getCurrentDecimal('900') ]] ₴

Volvo XC90. Посібник з ремонту й експлуатації. Книга

продано - 0 шт.
0 шт.

В наявності

Код:002807150

Опис Volvo XC90. Посібник з ремонту й експлуатації. Книга

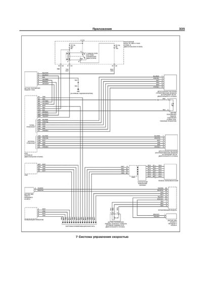
Volvo XC90. Посібник з ремонту та експлуатації.

Розглянуті моделі з бензиновими двигунами 2.5 л, 2.9 л (турбовані) та 4.4 л (нетурбовані) та турбованим дизельним двигуном 2.4 л, обладнані 4-ступінчастою (моделі 2.9 л), 5-ступінчастою (моделі 2.5 л, 2.4 л). ступінчастої (моделі 4.4 л) АТ, або 6-ступінчастої РКПП (моделі 2.5 л і 2.4 л), що випускаються з 2003 року.

368 сторінок А4, м'яка обкладинка.

Відгуки та питання про - Volvo XC90. Посібник з ремонту й експлуатації. Книга

Не йди - у цього продавця є ще! 🛍️

Дивитися також

Популярні продавці в категорії Посібники з ремонту та експлуатації автомобіля

DV
AutoGluk
Автокнига 2015

Популярні виробники в категорії